Тележка для дачи - это не только функциональный предмет, но и стильный элемент ландшафтного дизайна. С помощью подробных чертежей и инструкций вы сможете создать уникальную тележку, которая будет не только удобна в использовании, но и привлекательна внешне. В этой статье мы расскажем вам о том, как самостоятельно сделать тележку для дачи, предоставив подробные чертежи и пошаговые инструкции.






















Выбор материалов и инструментов
Перед тем, как приступить к созданию тележки для дачи, необходимо определиться с выбором материалов и инструментов. Для изготовления каркаса тележки можно использовать дерево, металл или пластик. В зависимости от выбора материала, вам понадобятся соответствующие инструменты, такие как пила, дрель, отвертки и ножовка.






















Подробные чертежи тележки
Для создания тележки для дачи вам понадобятся точные чертежи, которые помогут вам правильно распределить размеры и составить план работы. Ниже представлены подробные чертежи тележки для дачи:
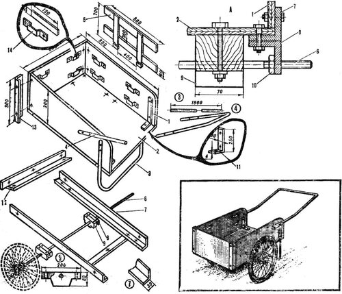
Чертеж 1: Основа тележки
На этом чертеже представлена основа тележки, которая будет служить ее надежной опорой. Убедитесь, что все размеры указаны правильно и соответствуют вашим требованиям.
Чертеж 2: Борты тележки
На этом чертеже представлены борты тележки, которые придадут ей законченный вид и помогут удерживать груз. Учтите, что размеры бортов должны соответствовать размерам основы тележки.






















Пошаговая инструкция по созданию тележки
Теперь, когда у вас есть подробные чертежи, можно перейти к созданию тележки для дачи своими руками. Следуйте этой пошаговой инструкции:
Шаг 1: Подготовка материалов и инструментов
Перед началом работы убедитесь, что у вас есть все необходимые материалы и инструменты. При необходимости приобретите недостающие детали или инструменты.
Шаг 2: Изготовление основы тележки
Согласно чертежу 1, изготовьте основу тележки, используя выбранный вами материал. Обратите внимание на правильное расположение и крепление деталей.
Шаг 3: Изготовление бортов тележки
Следуя чертежу 2, изготовьте борты тележки. Они должны быть достаточно прочными, чтобы удерживать груз, но не слишком тяжелыми, чтобы не усложнять передвижение тележки.
Шаг 4: Сборка тележки
После того, как вы изготовили основу и борты тележки, приступайте к ее сборке. Закрепите борта на основе, убедившись, что они надежно фиксируются.
Шаг 5: Завершение работы
Проверьте, что все детали тележки надежно закреплены и готовы к использованию. При необходимости, можно добавить дополнительные элементы, такие как руль или колеса, чтобы облегчить передвижение тележки.





















Введение в мир тележек для дачи
Теперь, когда вы знаете, как самостоятельно создать тележку для дачи, вы сможете добавить в свой сад удобство и стиль. Не стесняйтесь экспериментировать с дизайном и материалами, чтобы создать тележку, которая отражает вашу индивидуальность и соответствует вашим потребностям. Помните, что самодельная тележка - это не только практичный предмет, но и объект гордости, созданный собственными руками.






















Заключение
Создание тележки для дачи своими руками - это увлекательный проект, который поможет вам не только расширить свои навыки в строительстве, но и добавить уникальность и функциональность в свою дачу. Следуя подробным чертежам и инструкциям, вы сможете создать тележку, которая будет служить вам верой и правдой на протяжении долгих лет.