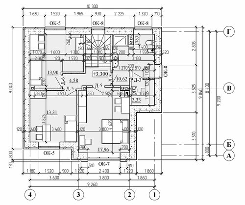
При строительстве кирпичного дома, план этажа имеет особое значение. Он определяет расположение помещений, их размеры, а также функциональность каждой комнаты. Корректно спланированный этаж позволяет максимально удовлетворить потребности семьи и создать комфортные условия проживания.





























Одноэтажные кирпичные дома
Одноэтажные кирпичные дома представляют собой отличный вариант для людей, которые предпочитают просторные и функциональные помещения. В плане такого дома обычно присутствуют гостиная, кухня, спальные комнаты, ванная комната и другие необходимые помещения. Фотографии планов этажей одноэтажных кирпичных домов помогут вам визуализировать и выбрать наиболее подходящий вариант для вашей семьи.





























Двухэтажные кирпичные дома
Двухэтажные кирпичные дома предоставляют дополнительное пространство для проживания. В них можно спланировать отдельные зоны для активного отдыха, работы и отдыха. На первом этаже обычно размещаются общественные помещения, такие как гостиная, кухня, столовая, а на втором этаже - спальные комнаты и ванная комната. Фотографии планов этажей двухэтажных кирпичных домов помогут вам выбрать оптимальное расположение комнат и создать уютную обстановку в вашем доме.




























Многоэтажные кирпичные дома
Многоэтажные кирпичные дома предлагают большое количество квартир и различные варианты планировки. В зависимости от размера и стиля дома, каждый этаж может иметь свою уникальную планировку. Однако, в большинстве многоэтажных домов присутствуют стандартные типы планировок - от однокомнатных до многокомнатных квартир. Фотографии планов этажей многоэтажных кирпичных домов помогут вам выбрать наиболее подходящую планировку для вашей семьи и учесть все необходимые параметры.





























Вывод
План этажа кирпичного дома является неотъемлемой частью строительства и дизайна. Он определяет пространственную организацию помещений и создает комфортные условия проживания. В данной статье мы рассмотрели различные варианты планировки этажей кирпичных домов с фотографиями, чтобы помочь вам выбрать оптимальный вариант для вашего будущего дома.